VSU200414-VSP
Parámetros detallados y dimensiones de instalación haga clic aquí
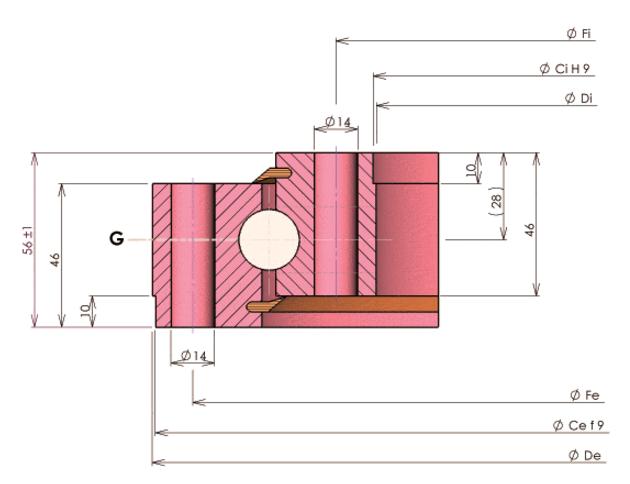
Rodamiento giratorio con bolas y cuatro puntos de contacto (Tipo sin engranaje) VSU200414-VSP, 28.5 kg Rodamiento de masa, (342*486*56 mm), 342 mm ID (Diámetro del agujero), 486 mm OD (exterior), 56 mm W (Ancho), 124000 N Capacidad de carga dinámica, radial (Cr), 305000 N Capacidad de carga estática, radial (Cor),










Deja un comentario